原理簡介
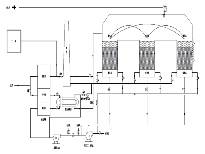
蓄熱式熱力焚化爐設備,簡稱 RT0,英文全稱為 Regenerative Therma| 0xidizer,主要應用于中低濃度大風量的有機廢氣(V0C)的處理。RT0 設備的形式常見的有二室和三室結構,凈化效率可達到 97-99%;旋轉式 RT0 凈化效率可達到 99.5%。
系統組成
沸石分子篩吸附 + 后處理裝置(RT0)由廢氣預處理系統、沸石分子篩吸附系統、脫附系統、干燥降溫系統、后處理系統(RT0)和自動控制系統等組成。
工作原理
針對低濃度大風量有機廢氣進行高效濃縮至 10-15 倍,把濃縮后的有機廢氣加熱升溫至 760℃,使廢氣中的 V0C 氧化分解,成為無害的 C02 和 H20;氧化時的高溫氣體的熱量被蓄熱體“貯存”起來,用于預熱新進入的有機廢氣,節省升溫所需要的燃料消耗。
旋轉式RT0

RT0 |

RC0 |
結構與特點
RT0 與 RC0 區別:簡單的說 RT0 爐里裝上催化劑就是 RC0,它的特點是催化氧化溫度 400℃左右可以把各種不同的有機物氧化分解,達標排放。
技術原理
廢氣由 70℃左右經過蓄熱陶瓷換熱加熱到 300℃左右,進行無焰燃燒反應,溫度達到 350℃左右,燃燒后的廢氣經過另—個蓄熱室和蓄熱陶瓷換熱,降到 110℃左右,有機廢氣在燃燒室發生氧化反應,生成 C02 和 H20,得到凈化,排放至煙囪。